カタログ資料ダウンロード
以下をクリックしますとPDFファイルが開きますので、ダウンロード・印刷も行えます。
ソーラー電源式不法投棄監視カメラ KSP-100A-IDO/KSP-200A-IDO/KSP-45A-IDO

設置場所移動可能、不法投棄を24時間監視!!
ソーラーパネル搭載!

【KSP-45A-IDO】
ラインナップ
ksp-100
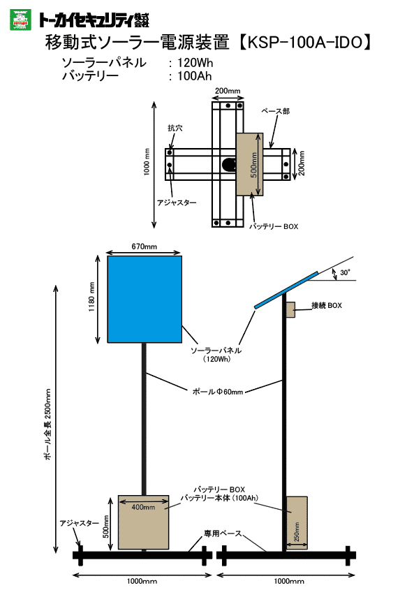
移動式ソーラー電源装置(KSP-100A-IDO)
・ソーラー電源装置(発電・蓄電)
・ソーラーパネル:120Wより
・バッテリー :100Ah
・ベースごとに移動が可能です。インバーター付
※SDカードは含まれておりません
ksp-100
移動式ソーラー電源装置(KSP-45A-IDO)
・ソーラー電源装置(発電・蓄電)
・ソーラーパネル:80W
・バッテリー :45Ah
・ベースごとに移動が可能です。
※SDカードは含まれておりません
施工例写真
仕様表
| 仕様/型番 | KSP-100A-IDO | KSP-45A-IDO |
| ■ソーラーパネル ※多結晶シリコンセル |
120Wh H540×W1190×D35 重量:約8.1Kg |
80Wh H795×W670×D30 重量:6Kg |
| ■バッテリー ※12V密閉式鉛蓄電池 ※推定電源容量(W)計算式= |
100Ah(12V) H338×W170×D212 推定電源容量(W):1020W 重量:約34Kg |
45Ah H198×W166×D171 推定電源容量(W):459W 重量:14.1Kg |
| ■バッテリーボックス ※鉄製/電着/粉体塗装/ドブ漬け |
屋外用 H500×W500×D250 重量:約9.2Kg |
屋外用 H400×W300×D200 重量:約9.2Kg |
| ■充放電コントローラ ※バッテリー電圧低下保護制御盤 |
・充電リミット14.4V ・放電リミット11.5V ・最大入力電圧25V ・最大入力電流10A |
・充電リミット14.4V ・放電リミット11.5V ・最大入力電流10A |
| ■DC/ACインバーター ※オプション |
・出力電圧:AC100V(矩形波 ・定格出力:200W ・最大出力:250W ※100Vコンセント搭載 |
|
| ■ベース・ポール | 【ベース】外形:1000mm×1000mm、重量:25Kg 【ポール】長さ:2.5m、外形:Φ60mm、重量:14Kg ※KSP-45A-IDOのみ、ポール長さ2m、ポール重量12Kg |
|
| ■付属品 | 接続ケーブルBOX、ソーラーパネル固定金具(ポール差込式)、同取付金具 | |
| ■備考 | ●総重量:約90Kg | ●総重量:約63Kg |
寸法図
KSP-100A-IDO

KSP-45A-IDO



